Sign In | Join Free | My spintoband.com
China LINK-PP INT'L TECHNOLOGY CO., LIMITED logo
LINK-PP INT'L TECHNOLOGY CO., LIMITED
LINK-PP INT'L TECHNOLOGY CO., LIMITED
Verified Supplier

13 Years

Home > Magnetic RJ45 Jack >

JXD2-0Z10NL 100BASE-T TOP ENTRY VERTICAL RJ45 Connector 8P8C With LED

LINK-PP INT'L TECHNOLOGY CO., LIMITED
Trust Seal
Verified Supplier
Credit Check
Supplier Assessment
Contact Now

JXD2-0Z10NL 100BASE-T TOP ENTRY VERTICAL RJ45 Connector 8P8C With LED

  • 1
  • 2

Brand Name : LINK-PP

Model Number : LPJxxxxxx

Certification : UL,ROHS,Reach,ISO

Place of Origin : GuangDong, China

MOQ : 50/500/1000

Price : OEM Price

Payment Terms : TT,NET30/60/90 Days

Supply Ability : 3000000/Month

Delivery Time : Stock

Packaging Details : Tray Package: 50 pcs in 1 tray,24tray in 1 carton, which is 32*30*31 , 8.5 KGS (1200pcs) of each carton

Original : JXD2-0Z10NL

Equivalent : LPJxxxxxx

Operating Temperature : -40°C ~ 85°C

Samples : Free Available

File : PDF/3D/ISG/Stp/Step/Datasheet/Touchstone Format/S-parameters

Lifecycle : More than 20Years

Contact Now

JXD2-0Z10NL 100BASE-T TOP ENTRY VERTICAL RJ45 Connector 8P8C With Led

LINK-PP Part Number LPJxxxxxx
Part Number JXD2-0Z10NL
Part Status Active
Connector Type Jack
Number of Positions/Contacts 8p8c (RJ45, Ethernet)
SPEED 100 BASE-T
POE RATING NON-POE
LED Option GREEN/YELLOW Led
Number of Ports 1X1 Port
PCB Mount Angle SIDE ENTRY
Shield EMI Tabs WITH
Operating Temperature -40°C ~85°C
CONTACT MATING AREA PLATING Gold 30 U"
PACKAGE HEIGHT MM 16.95
PACKAGE LENGTH MM 16.90
PACKAGE WIDTH MM 16.10

JXD2-0Z10NL 100BASE-T TOP ENTRY VERTICAL RJ45 Connector 8P8C With LED

JXD2-0Z10NL VERTICAL RJ45 Jack Description:

Industrial Fast Ethernet and Gigabit (10/100/1000Base-T) single port RJ45 vertical/ top entry integrated magnetics connector,
designed to support applications, such as embedded automation and drive control, wall and panel mount HMI and outdoor networks.

.RoHS peak wave solder temperature rating 260°C
.Top entry, small footprint to minimize board space
.Meets IEEE 802.3 specification
.350μH minimum OCL with 8mA bias current
.High performance for maximum EMI suppression


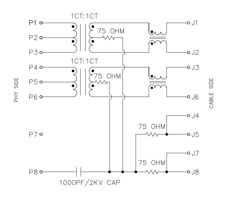
JXD2-0Z10NL VERTICAL RJ45 Connector Electrical Schematic:

JXD2-0Z10NL 100BASE-T TOP ENTRY VERTICAL RJ45 Connector 8P8C With LED


JXD2-0Z10NL VERTICAL RJ45 JackMechanical Specification:
JXD2-0Z10NL 100BASE-T TOP ENTRY VERTICAL RJ45 Connector 8P8C With LED
JXD2-0Z10NL RJ45 MagJack Similar Part Number :
JXD2-0Z10NL JXD2-0Z11NL JXD2 0Z14NL
JXD2-0Z15NL JXD2-0Z25NL JXD2-9001NL



Product Tags:

JXD2-0Z10NL

      

100BASE-T Vertical RJ45 Connector

      

Vertical RJ45 Jack With LED

      
Wholesale JXD2-0Z10NL 100BASE-T TOP ENTRY VERTICAL RJ45 Connector 8P8C With LED from china suppliers

JXD2-0Z10NL 100BASE-T TOP ENTRY VERTICAL RJ45 Connector 8P8C With LED Images

Inquiry Cart 0
Send your message to this supplier
 
*From:
*To: LINK-PP INT'L TECHNOLOGY CO., LIMITED
*Subject:
*Message:
Characters Remaining: (0/3000)
 
Inquiry Cart 0