Sign In | Join Free | My spintoband.com
China LINK-PP INT'L TECHNOLOGY CO., LIMITED logo
LINK-PP INT'L TECHNOLOGY CO., LIMITED
LINK-PP INT'L TECHNOLOGY CO., LIMITED
Verified Supplier

13 Years

Home > PoE RJ45 Connector >

JK0-0229NL 4PAIR POE 120W RJ45 Connector 30 U'' GOLD Plating

LINK-PP INT'L TECHNOLOGY CO., LIMITED
Trust Seal
Verified Supplier
Credit Check
Supplier Assessment
Contact Now

JK0-0229NL 4PAIR POE 120W RJ45 Connector 30 U'' GOLD Plating

  • 1
  • 2

Brand Name : LINK-PP

Model Number : JK0-0229NL

Certification : UL,ROHS,Reach,ISO

Place of Origin : GuangDong, China

MOQ : 50/500/1000

Price : OEM Price

Payment Terms : TT,NET30/60/90 Days

Supply Ability : 3000000/Month

Delivery Time : Stock

Packaging Details : Tray Package: 50 pcs in 1 tray,24tray in 1 carton, which is 32*30*31 , 8.5 KGS (1200pcs) of each carton

LATCH : UP

LED OPTION : GREEN & YELLOW

NUMBER OF PORTS : 1X1

PACKAGE : THT

PCB MOUNT ANGLE : SIDE ENTRY

Lifecycle : More than 10 Years

Contact Now

JK0-0229NL RJ45 Magnetic Jack Notes:

  • ROHS Compliant
  • Plastic Housing: Thermoplastic material with a flammability rating of UL 94V-0 or better.
  • Contacts Plating: 30 micro-inch gold plating.
  • Contacts Base Material: Phosphor Bronze.
  • Under Plating: 30-50 micro-inches nickel.
  • Solder Tail Plating: 200-500 micro-inches of 100% tin with a matte finish.
  • Metal Shield: Nickel plating on copper alloy.
  • PCB Plating: HASL (Hot Air Solder Leveling).
  • Storage Temperature: -20°C to +125°C.

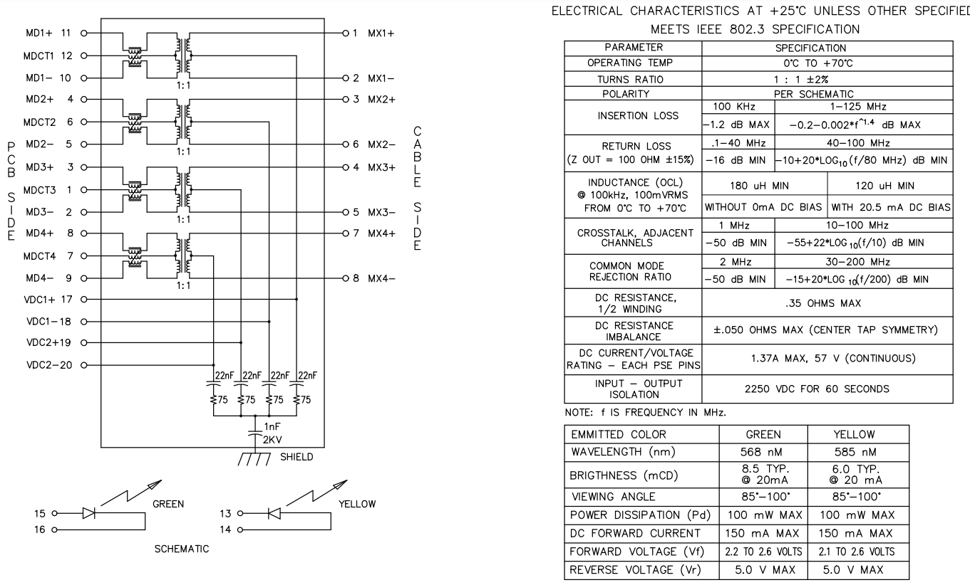
JK0-0229NL 1000 Base-T POE RJ45 Connector Specifications:

Pulse Part Number

JK0-0229NL

Part Status

Active

Gender

Jack (Female)

USOC Codes

RJ45

Number of Positions / Contacts per Port

8P8C

Port Configuration

1x1

Shielding

Shielded, EMI Fingers

Performance Category

Cat 6

Mounting Style

Through Hole

Mounting Angle

Right Angle

Termination Style

Solder

POE RATING

4PAIR POE 120W

LED L / R Color

Green / Yellow

CONTACT MATING AREA PLATING

GOLD 30 U''

Tab Direction

Tab Up

Operating Temperature

0 ℃- 70℃

Application

1G/10G Base-T PoE 120 W

Insulation Resistance 500 MOhms
Current Rating 1.37 A
Voltage Rating 57 V
Flammability Rating UL 94 V-0
Mating Cycles 750 Cycles
Packaging Tray

JK0-0229NL Datasheet- Mechanical:

JK0-0229NL 4PAIR POE 120W RJ45 Connector 30 U'' GOLD Plating

JK0-0229NL Datasheet- Electrical Schematic:

JK0-0229NL 4PAIR POE 120W RJ45 Connector 30 U'' GOLD Plating

JK0-0229NL RJ45 Magjack Package & Shipping Details:


JK0-0229NL 4PAIR POE 120W RJ45 Connector 30 U'' GOLD Plating


Product Tags:

JK0-0229NL

      

RJ45 Magnetic Jack

      

120W POE RJ45 Connector

      
Wholesale JK0-0229NL 4PAIR POE 120W RJ45 Connector 30 U'' GOLD Plating from china suppliers

JK0-0229NL 4PAIR POE 120W RJ45 Connector 30 U'' GOLD Plating Images

Inquiry Cart 0
Send your message to this supplier
 
*From:
*To: LINK-PP INT'L TECHNOLOGY CO., LIMITED
*Subject:
*Message:
Characters Remaining: (0/3000)
 
Inquiry Cart 0